DBMS 모니터링 : 보고서
보고서

매월 1일에 지난달 대한 보고서를 자동으로 생성합니다.
또는 "보고서 생성" 버튼을 이용하여 수동으로 생성도 가능합니다.

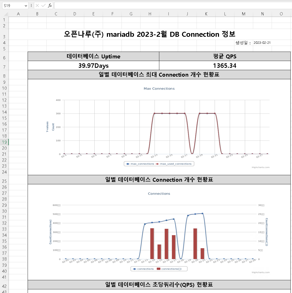
보고서는 다음과 같은 구분으로 DBMS가 안정적으로 운영되었는지 간략하게 확인 할 수 있습니다.
- Connections
- Storage Engines
- InnoDB
- Caches
- Tables
- Queries
- I/O 관련
- Monitoring
- Concurrency

간략하게 표현된 보고서 내용은 그래프를 통해서 사용량에 대한 일일 변동 사항을 한눈에 확인할 수 있습니다.
- 데이터베이스 최대 Connection 개수
- 데이터베이스 Connection 개수
- 데이터베이스 초당쿼리수(QPS)
- 데이터베이스 Command 사용수
- 데이터베이스 innodb buffer pool size
- 데이터베이스 innodb data activity
- 데이터베이스 innodb waits
- 데이터베이스 table locks
- 데이터베이스 full table scan 비율